Одноосевой поворотный стол с хиртовым зацеплением ЧПУ NCF-250R GSA+
Поворотный стол с хиртовым зацеплением ЧПУ NCF-250R GSA+
Добро пожаловать в мир инновационных технологий и высокопроизводительного оборудования! Представляем вашему вниманию одноосевой поворотный стол с хиртовым зацеплением ЧПУ NCF-250R GSA+ от компании 'Невастанкомаш'.
Преимущества товара:
- Высокая точность позиционирования
- Надежное хиртовое зацепление
- Простое управление с помощью ЧПУ
- Долговечность и надежность конструкции
- Широкий диапазон скоростей вращения
Особенности товара:
- Одноосевой поворотный стол для точного позиционирования заготовок
- Хиртовое зацепление обеспечивает надежную фиксацию и высокую точность
- ЧПУ система управления позволяет легко настраивать параметры работы
- Компактный и прочный корпус из высококачественных материалов
Этот поворотный стол идеально подходит для применения в различных сферах промышленности, включая машиностроение, авиацию, металлообработку и другие отрасли, где требуется высокая точность и надежность оборудования.
Приобретая одноосевой поворотный стол с хиртовым зацеплением ЧПУ NCF-250R GSA+ вы получаете надежного партнера в вашем производстве, который поможет вам повысить эффективность и качество выпускаемой продукции.
Встроенное хиртовое зацепление, состоящее из 3 частей, обеспечивает точность позиционирования ±5”. За счет 3-компонентной конструкции зацепления, поверхность стола не приподнимается во время поворота. Возможно как прямое подключение к 4-й управляющей оси станка, так и подсоединение через М-коды, с применением 1-осевого шагового или асинхронного контроллера GSA+
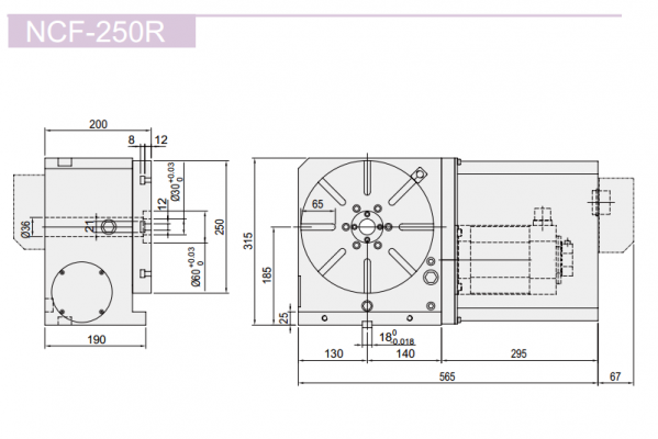
Технические характеристики NCF-250R | |||
|---|---|---|---|
| Характеристика | Ед. изм. | Значение | |
| Диаметр | мм | 250 | |
| Высота центров при вертикальной установке | мм | 185 | |
| Высота поверхности стола при горизонтальной установке | мм | 200 | |
| Общая высота при вертикальной установке | мм | 315 | |
| Центральное отверстие | мм | 30Н7 | |
| Ширина Т-пазов | мм | 12Н7 | |
| Ширина направляющего сухаря | мм | 18Н7 | |
| Тип сервомотора | Meldas | тип | НF-104T |
| Fanuc | a4i | ||
| Siemens | 1FK7060 | ||
| Heidenhein | QSY116C | ||
| Передаточное число | 1:90 | ||
| Минимальный угол | град | 1/5 | |
| Максимальные обороты | об/мин | 22,2 | |
| Повторяемость | Однонаправленный | с | ±1” |
| Двунаправленный | ±2” | ||
| Вес нетто (без двигателя) | кг | 110 | |
| Усилие зажима | кг*м | 500 | |
| Грузоподъемность при вертикальной установке (с задним центром) | кг | 250 | |
- Доставка с фикс. стоимостью (бесплатно от 50 тыс.р.) 100 ₽ подробнее
- Самовывоз бесплатно подробнее
- Доставка с фикс. стоимостью 100р + 50р за каждый кг веса 105 ₽
-
СДЭК
--- ₽
выбрать на карте
-
Почта РФ
--- ₽
выбрать на карте


Отзывы к "Одноосевой поворотный стол с хиртовым зацеплением ЧПУ NCF-250R GSA+":
Пока нет отзывов