Одноосевой поворотный стол ЧПУ CNC-170R GSA+
Преимущества одноосевого поворотного стола ЧПУ CNC-170R GSA+
- Высокая точность и надежность работы
- Простота управления с помощью ЧПУ
- Широкий диапазон скоростей вращения
- Долгий срок службы
- Гарантийное обслуживание от компании 'Невастанкомаш'
Особенности одноосевого поворотного стола ЧПУ CNC-170R GSA+
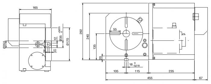
- Диаметр стола - 170 мм
- Максимальная нагрузка - 100 кг
- Угол поворота - 360 градусов
- Точность позиционирования - 0,01 мм
Одноосевой поворотный стол ЧПУ CNC-170R GSA+ предназначен для использования на станках с ЧПУ для точного позиционирования и обработки деталей. Он идеально подходит для производства малогабаритных деталей с высокой точностью.
Этот поворотный стол может применяться в различных отраслях промышленности, таких как машиностроение, авиационная и автомобильная промышленность, медицинское оборудование и другие.
Приобретая одноосевой поворотный стол ЧПУ CNC-170R GSA+ у компании 'Невастанкомаш', вы получаете не только качественное оборудование, но и профессиональную поддержку и сервисное обслуживание.
Комбинация высокоточного червячного колеса из бронзо-никелевого сплава и стального закаленного червяка обеспечивают длительное сохранение точности позиционирования.
Многоточечная пневматическая или гидравлическая тормозная система обеспечивает превосходное усилие зажима, исключающее вибрацию при силовом резании.
Универсальный интерфейс, позволяющий проводить как контурную обработку с применением 4-й оси, так и индексирование по М-кодам при позиционной обработке.
Увеличенное отверстие в шпинделе позволяет закреплять трубные заготовки. Поворотные столы данного типа широко применяются на вертикальных обрабатывающих центрах и фрезерных станках. Двигатель может быть установлен как с правой, так и с левой стороны.
Технические характеристики CNC-170R GSA+ | ||
|---|---|---|
| Параметр | Ед. изм. | Значение |
| Диаметр | мм | 170 |
| Высота центров при вертикальной установке | мм | 135 |
| Высота стола при горизонтальной установке | мм | 165 |
| Общая высота при вертикальной установке | мм | 240 |
| Вес CNC-170R нетто (без двигателя) | кг | 70 |
| Центральное отверстие | мм | 35Н7 |
| Ширина Т-пазов | мм | 12Н7 |
| Ширина направляющего сухаря | мм | 18Н7 |
| Сервомотор Meldas | НF-104T | |
| Сервомотор Fanuc | a4i | |
| Сервомотор Siemens | 1FK7060 | |
| Сервомотор Heidenhein | QSY116C | |
| Передаточное число | 1:90 | |
| Минимальный угол | град | 0,001 |
| Максимальные обороты | об/мин | 22,2 |
| Усилие пневмозажима | кг*м | 25 |
| Усилие гидрозажима | кг*м | 50 |
| Класс точности позиционирования | 20” | |
| Повторяемость (Однонаправленный) | с | ±4” |
| Повторяемость (Двунаправленный) | с | ±8” |
| Макс. усилие резания | кг*м | 23 |
| Максимальные нагрузки | |||
|---|---|---|---|
| Параметр | Схема | Ед. изм. | Значение |
| Максимальная вертикальная нагрузка | кг | W = 100 | |
| Максимальная горизонтальная нагрузка | кг | W = 200 | |
| Максимальное радиальное усилие | кг | F = 1000 | |
| Максимальное радиальное усилие | кг*м | FxL = 50 | |
| Максимальное радиальное усилие | кг*м | FxL = 78 | |
- Доставка с фикс. стоимостью (бесплатно от 50 тыс.р.) 100 ₽ подробнее
- Самовывоз бесплатно подробнее
- Доставка с фикс. стоимостью 100р + 50р за каждый кг веса 105 ₽
-
СДЭК
--- ₽
выбрать на карте
-
Почта РФ
--- ₽
выбрать на карте


Отзывы к "Одноосевой поворотный стол ЧПУ CNC-170R GSA+":
Пока нет отзывов