Одноосевой поворотный стол ЧПУ CNC-120R GSA+
Одноосевой поворотный стол ЧПУ CNC-120R GSA+
Вы ищете надежное и высокотехнологичное оборудование для вашего производства? Тогда одноосевой поворотный стол ЧПУ CNC-120R GSA+ от компании 'Невастанкомаш' - ваш идеальный выбор! Этот стол обеспечит вам высокую точность и эффективность работы, что поможет увеличить производительность вашего предприятия.
Преимущества одноосевого поворотного стола ЧПУ CNC-120R GSA+:
- Высокая точность позиционирования
- Надежность и долговечность
- Простота в управлении
- Эргономичный дизайн
- Широкий диапазон скоростей вращения
Особенности одноосевого поворотного стола ЧПУ CNC-120R GSA+:
- Диаметр стола - 120 мм
- Максимальная нагрузка - 50 кг
- Управление посредством ЧПУ
- Интеграция с другими устройствами
Этот стол идеально подходит для таких отраслей, как машиностроение, авиационная промышленность, медицинское оборудование и другие. Благодаря своей универсальности, он может быть использован в различных производственных процессах, где требуется высокая точность и надежность.
Не упустите возможность улучшить работу вашего предприятия с помощью одноосевого поворотного стола ЧПУ CNC-120R GSA+ от 'Невастанкомаш'! Закажите его прямо сейчас и убедитесь в его высоком качестве и эффективности!
Комбинация высокоточного червячного колеса из бронзо-никелевого сплава и стального закаленного червяка обеспечивают длительное сохранение точности позиционирования.
Многоточечная пневматическая или гидравлическая тормозная система обеспечивает превосходное усилие зажима, исключающее вибрацию при силовом резании.
Универсальный интерфейс, позволяющий проводить как контурную обработку с применением 4-й оси, так и индексирование по М-кодам при позиционной обработке.
Увеличенное отверстие в шпинделе позволяет закреплять трубные заготовки. Поворотные столы данного типа широко применяются на вертикальных обрабатывающих центрах и фрезерных станках. Двигатель может быть установлен как с правой, так и с левой стороны.
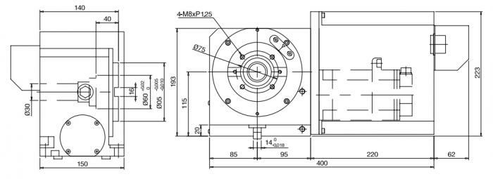
Технические характеристики CNC-120R GSA+ | ||
|---|---|---|
| Параметр | Ед. изм. | Значение |
| Диаметр | мм | 120 |
| Высота центров при вертикальной установке | мм | 115 |
| Высота стола при горизонтальной установке | мм | 170 |
| Общая высота при вертикальной установке | мм | 193 |
| Вес CNC-120R нетто (без двигателя) | кг | 28 |
| Центральное отверстие | мм | 30Н7 |
| Ширина Т-пазов | мм | 10Н7 |
| Ширина направляющего сухаря | мм | 14Н7 |
| Сервомотор Meldas | HF-75T | |
| Сервомотор Fanuc | a2i | |
| Сервомотор Siemens | 1FK7042 | |
| Сервомотор Heidenhein | QSY96A | |
| Передаточное число | 1:60 | |
| Минимальный угол | град | 0,001 |
| Максимальные обороты | об/мин | 33,3 |
| Усилие пневмозажима | кг*м | 12 |
| Усилие гидрозажима | кг*м | 24 |
| Класс точности позиционирования | 60” | |
| Повторяемость (Однонаправленный) | с | ±4” |
| Повторяемость (Двунаправленный) | с | ±8” |
| Макс. усилие резания | кг*м | 12 |
| Максимальные нагрузки | |||
|---|---|---|---|
| Параметр | Схема | Ед. изм. | Значение |
| Максимальная вертикальная нагрузка | кг | W = 35 | |
| Максимальная горизонтальная нагрузка | кг | W = 75 | |
| Максимальное радиальное усилие | кг | F = 600 | |
| Максимальное радиальное усилие | кг*м | FxL = 6 | |
| Максимальное радиальное усилие | кг*м | FxL = 12 | |
- Доставка с фикс. стоимостью (бесплатно от 50 тыс.р.) 100 ₽ подробнее
- Самовывоз бесплатно подробнее
- Доставка с фикс. стоимостью 100р + 50р за каждый кг веса 105 ₽
-
СДЭК
--- ₽
выбрать на карте
-
Почта РФ
--- ₽
выбрать на карте


Отзывы к "Одноосевой поворотный стол ЧПУ CNC-120R GSA+":
Пока нет отзывов