Электромеханический листогиб H.M.Transtech SLF 25/20
Электромеханический листогиб H.M.Transtech SLF 25/20
Компания 'Невастанкомаш' представляет новинку на рынке промышленного оборудования - электромеханический листогиб H.M.Transtech SLF 25/20. Этот уникальный инструмент обеспечивает высокую точность и производительность при гибке листового металла.
Преимущества:
- Мощный и надежный электропривод
- Высокая точность гибки благодаря цифровой системе управления
- Простая настройка параметров и автоматическая калибровка
- Компактный и эргономичный дизайн
- Надежная конструкция для долговечной эксплуатации
Особенности:
- Рабочая длина 2500 мм
- Максимальная толщина гибки 20 мм
- Угол гибки от 0 до 135 градусов
- Система защиты от перегрузок
Электромеханический листогиб H.M.Transtech SLF 25/20 идеально подходит для производства металлических конструкций, каркасов, корпусов и других изделий. Он эффективно применяется в машиностроении, строительстве, автомобильной промышленности и других отраслях.
Выбирайте качественное оборудование для вашего производства - выбирайте электромеханический листогиб H.M.Transtech SLF 25/20 от 'Невастанкомаш'!
Электромеханический листогиб H.M.Transtech SLF 25/20 применяется для производства дверей, рекламных щитов, кондиционеров, распределительных щитов и т.д.
Возможные варианты исполнения электромеханического листогиба H.M. Transtech:
![]() | SLF - планки на всех трёх типах балок; |
![]() | SLF S - косые сегменты на прижимной балке, планка на гибочной балке на балке хранения; |
![]() | SLF SH - высокие сегменты на прижимной балке, планка на гибочной балке и на балке хранения; |
![]() | SLF 3SH - сегменты на всех трёх балках на прижимной балке сегменты высокие. |
![]() | |
![]() | |
![]() | |
![]() |
Преимущества H.M.Transtech SLF 25/20
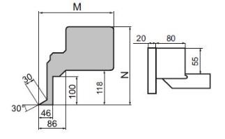
- Электромеханический листогиб H.M. Transtech SLF 25/20 с рабочей длиной 2520 мм применяется для производства простых и сложных изделий из листовой стали толщиной до 2 мм
- Экцентрический привод прижимной балки обеспечивает прижимную силу и максимальную скорость;
- Гибочная балка имеет систему для предварительной натяжки планки, за счёт чего достигается высокоточная фальцовка по всей длине листогиба;
- Выпускается в вариациях с планками, косыми и высокими сегментами;
- Дополнительно к листогибу можно приобрести задний упор моторический или ручной, а также систему управления;
Технические характеристики электромеханического листогиба H.M.Transtech SLF 25/20
| Рабочая длина, мм | 2520 |
| Максимальная толщина листа, 400 N/мм² | 2 |
| Вес, кг | 1780 |
| Мотор прижима, кВт | 0,75 |
| Мотор гибки, кВт | 1,1 |
Образцы изделий изготавливаемых на листогибочных машинах с поворотной балкой

Базовая комплектация H.M.Transtech SLF 25/20
- Нож 30° на прижимной балке
- ручная регулировка угла гиба (тип MA)
- нож на гибочной балке
- ручная регулировка прогиба на гибочной балке
- ножная педаль общей остановки
Дополнительные опции
- Ручные задние упоры MSD или MPD
- Электромеханические задние упоры с ЧПУ
- Доставка с фикс. стоимостью (бесплатно от 50 тыс.р.) 100 ₽ подробнее
- Самовывоз бесплатно подробнее
- Доставка с фикс. стоимостью 100р + 50р за каждый кг веса 105 ₽
-
СДЭК
--- ₽
выбрать на карте
-
Почта РФ
--- ₽
выбрать на карте








Отзывы к "Электромеханический листогиб H.M.Transtech SLF 25/20":
Пока нет отзывов