Электромеханический листогиб H.M.Transtech SLF 20/25
Электромеханический листогиб H.M.Transtech SLF 20/25
Представляем вам электромеханический листогиб H.M.Transtech SLF 20/25 – надежное и эффективное оборудование для гибки листового металла. Этот листогиб отлично подойдет для вашего производства, обеспечивая высокую точность и качество гибки.
Преимущества:
- Электромеханическая система управления для точной настройки гибки
- Высокая производительность и надежность работы
- Простота в эксплуатации и обслуживании
- Инновационные технологии для лучших результатов
Особенности:
- Максимальная длина гибки – 2500 мм
- Толщина гнутого металла до 20 мм
- Электромеханическая система гибки
- Прочная и надежная конструкция
Назначение:
Электромеханический листогиб H.M.Transtech SLF 20/25 предназначен для гибки листового металла различной толщины и формы. Он идеально подходит для производственных цехов, мастерских и других предприятий, где требуется точная и качественная обработка металла.
Сферы применения:
Этот листогиб может использоваться в различных отраслях промышленности, включая машиностроение, автомобильную промышленность, производство металлических конструкций и другие области, где требуется гибка листового металла.
Электромеханический листогиб H.M.Transtech SLF 20/25 применяется для производства дверей, рекламных щитов, кондиционеров, распределительных щитов и т.д.
Возможные варианты исполнения электромеханического листогиба H.M. Transtech:
![]() | SLF - планки на всех трёх типах балок; |
![]() | SLF S - косые сегменты на прижимной балке, планка на гибочной балке на балке хранения; |
![]() | SLF SH - высокие сегменты на прижимной балке, планка на гибочной балке и на балке хранения; |
![]() | SLF 3SH - сегменты на всех трёх балках на прижимной балке сегменты высокие. |
![]() | |
![]() | |
![]() | |
![]() |
Преимущества H.M.Transtech SLF 25/20
- Электромеханический листогиб H.M. Transtech SLF 20/25 с рабочей длиной 2020 мм применяется для производства простых и сложных изделий из листовой стали толщиной до 2.50 мм
- Экцентрический привод прижимной балки обеспечивает прижимную силу и максимальную скорость;
- Гибочная балка имеет систему для предварительной натяжки планки, за счёт чего достигается высокоточная фальцовка по всей длине листогиба;
- Выпускается в вариациях с планками, косыми и высокими сегментами;
- Дополнительно к листогибу можно приобрести задний упор моторический или ручной, а также систему управления;
Технические характеристики электромеханического листогиба H.M.Transtech SLF 20/25
| Рабочая длина, мм | 2020 |
| Максимальная толщина листа, 400 N/мм² | 2,5 |
| Вес, кг | 1380 |
| Мотор прижима, кВт | 0,75 |
| Мотор гибки, кВт | 1,1 |
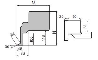
Образцы изделий изготавливаемых на листогибочных машинах с поворотной балкой

Базовая комплектация H.M.Transtech SLF 20/25
- Нож 30° на прижимной балке
- ручная регулировка угла гиба (тип MA)
- нож на гибочной балке
- ручная регулировка прогиба на гибочной балке
- ножная педаль общей остановки
Дополнительные опции
- Ручные задние упоры MSD или MPD
- Электромеханические задние упоры с ЧПУ
- Доставка с фикс. стоимостью (бесплатно от 50 тыс.р.) 100 ₽ подробнее
- Самовывоз бесплатно подробнее
- Доставка с фикс. стоимостью 100р + 50р за каждый кг веса 105 ₽
-
СДЭК
--- ₽
выбрать на карте
-
Почта РФ
--- ₽
выбрать на карте








Отзывы к "Электромеханический листогиб H.M.Transtech SLF 20/25":
Пока нет отзывов