Электромеханический листогиб H.M.Transtech SLF 12/35
Электромеханический листогиб H.M.Transtech SLF 12/35
Преимущества:
- Высокая точность гибки листового металла
- Электромеханическое управление для удобства оператора
- Долговечная конструкция для надежной работы на протяжении многих лет
Особенности:
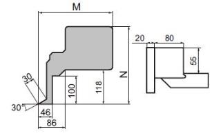
- Длина гибочной линии: 3500 мм
- Максимальная толщина гибки: 12 мм
- Угол гибки: 0-135 градусов
Назначение:
Электромеханический листогиб H.M.Transtech SLF 12/35 предназначен для гибки листового металла с высокой точностью и качеством. Он идеально подходит для производства металлических изделий различных форм и размеров.
Сферы применения:
Этот листогиб широко используется в промышленности для изготовления металлических деталей, корпусов, обшивок и других изделий. Он подходит как для крупных производств, так и для малых мастерских.
Не упустите шанс улучшить качество производства с помощью электромеханического листогиба H.M.Transtech SLF 12/35!
Электромеханический листогиб H.M.Transtech SLF 12/35 применяется для производства дверей, рекламных щитов, кондиционеров, распределительных щитов и т.д.
Возможные варианты исполнения электромеханического листогиба H.M. Transtech:
![]() | SLF - планки на всех трёх типах балок; |
![]() | SLF S - косые сегменты на прижимной балке, планка на гибочной балке на балке хранения; |
![]() | SLF SH - высокие сегменты на прижимной балке, планка на гибочной балке и на балке хранения; |
![]() | SLF 3SH - сегменты на всех трёх балках на прижимной балке сегменты высокие. |
![]() | |
![]() | |
![]() | |
![]() |
Преимущества H.M.Transtech SLF 12/35
- Электромеханический листогиб H.M. Transtech SLF 12/35 с рабочей длиной 1230 мм применяется для производства простых и сложных изделий из листовой стали толщиной до 3,5 мм
- Экцентрический привод прижимной балки обеспечивает прижимную силу и максимальную скорость;
- Гибочная балка имеет систему для предварительной натяжки планки, за счёт чего достигается высокоточная фальцовка по всей длине листогиба;
- Выпускается в вариациях с планками, косыми и высокими сегментами;
- Дополнительно к листогибу можно приобрести задний упор моторический или ручной, а также систему управления;
Технические характеристики электромеханического листогиба H.M.Transtech SLF 12/35
| Рабочая длина, мм | 1230 |
| Максимальная толщина листа, 400 N/мм² | 3,5 |
| Вес, кг | 970 |
| Мотор прижима, кВт | 0,75 |
| Мотор гибки, кВт | 1,1 |
Образцы изделий изготавливаемых на листогибочных машинах с поворотной балкой

Базовая комплектация H.M.Transtech SLF 12/35
- Нож 30° на прижимной балке
- ручная регулировка угла гиба (тип MA)
- нож на гибочной балке
- ручная регулировка прогиба на гибочной балке
- ножная педаль общей остановки
Дополнительные опции
- Ручные задние упоры MSD или MPD
- Электромеханические задние упоры с ЧПУ
- Доставка с фикс. стоимостью (бесплатно от 50 тыс.р.) 100 ₽ подробнее
- Самовывоз бесплатно подробнее
- Доставка с фикс. стоимостью 100р + 50р за каждый кг веса 105 ₽
-
СДЭК
--- ₽
выбрать на карте
-
Почта РФ
--- ₽
выбрать на карте








Отзывы к "Электромеханический листогиб H.M.Transtech SLF 12/35":
Пока нет отзывов