Головка шлифовальная для токарного станка ВГР-300TCG125
Головка шлифовальная для токарного станка ВГР-300TCG125 — это специализированный модуль, предназначенный для расширения функциональности стандартного токарного оборудования. Установка данной головки на токарный станок позволяет выполнять не только точение, но и шлифовку цилиндрических, конических, торцевых и внутренних поверхностей, без необходимости применения отдельного шлифовального станка.
Применение шлифовальной головки обеспечивает достижение высокой точности геометрических параметров деталей и значительного повышения чистоты обрабатываемой поверхности. Это особенно актуально для операций финишной обработки, где требуется минимальный допуск, а также для восстановления изношенных или деформированных элементов, требующих доводки с высокой степенью точности. Шлифование на токарном станке с помощью шлифовальной головки позволяет эффективно сочетать черновую и чистовую обработку в рамках одного технологического цикла, снижая общее время производства и повышая экономическую эффективность обработки деталей.
Назначение и области применения шлифовальной головки для токарного станка
Основное назначение шлифовальной головки заключается в том, чтобы превратить стандартный токарный станок в многофункциональное оборудование, способное выполнять шлифовальные и доводочные операции. Это решение позволяет выполнять полный цикл металлообработки — от чернового точения до высокоточной финишной обработки — без использования отдельного шлифовального станка.
Расширение возможностей токарного станка
Установка шлифовальной головки на суппорт токарного станка даёт возможность производить высокоточные операции шлифования. Это особенно актуально в условиях ограниченного пространства или когда требуется оперативно выполнить обработку без переоснастки производственной линии.
Обработка наружных и внутренних поверхностей
С помощью шлифовальной головки можно обрабатывать:
- Наружные цилиндрические и конические поверхности
- Внутренние отверстия (в сочетании с соответствующей оснасткой)
- Торцевые поверхности деталей
Таким образом, токарный станок с установленной шлифовальной головкой становится универсальным решением для мелкосерийной и ремонтной обработки деталей различной сложности.
Финишная обработка и доводка
Головка позволяет выполнять тонкую доводку поверхности с целью достижения заданной шероховатости и точности формы. Это необходимо при изготовлении посадочных мест под подшипники, втулки, валы, а также при подготовке деталей к термообработке или последующей сборке.
Типовые задачи шлифования на токарном станке
- Повышение класса чистоты поверхности до Ra 0.2–0.4 мкм
- Коррекция геометрии после термообработки или деформаций
- Восстановление изношенных посадочных мест, шеек, отверстий
- Точечное шлифование и локальная обработка без демонтажа детали
Такая универсальность делает шлифовальную головку незаменимым инструментом на машиностроительных предприятиях, ремонтных базах, в инструментальных цехах и на производственных участках, ориентированных на гибкую обработку металлоизделий.
Преимущества использования шлифовальной головки на токарном станке
Расширение функциональности токарного оборудования
Шлифовальная головка существенно увеличивает технологические возможности токарного станка. Установив её на суппорт, оператор получает доступ к операциям шлифования без необходимости использовать отдельный станок. Это решение позволяет:
- Осуществлять как токарную, так и шлифовальную обработку на одном рабочем месте
- Снижать затраты на логистику деталей между разными участками обработки
- Сократить количество операций в производственном цикле
Таким образом, универсальность оборудования значительно возрастает, что особенно важно в условиях мелкосерийного производства и ремонтных мастерских.
Экономия производственных площадей и инвестиций
Благодаря возможности интеграции в уже существующее оборудование, шлифовальная головка позволяет избежать затрат на покупку специализированных шлифовальных станков. Среди главных коммерческих преимуществ:
- Снижение капитальных вложений в станочный парк
- Рациональное использование производственного пространства
- Меньшая потребность в обучении персонала для нового оборудования
Компактность конструкции и отсутствие необходимости в установке отдельного рабочего места делают её идеальным выбором для предприятий с ограниченной площадью.
Повышение точности обработки
Установка шлифовальной головки позволяет значительно повысить точность обработки, что особенно важно при производстве ответственных деталей. Преимущества включают:
- Достижение низких допусков по диаметру и форме (до микронного уровня)
- Улучшение параметров шероховатости поверхности (Ra, Rz)
- Стабильность качества при повторяющихся операциях
Это делает оборудование востребованным при производстве высокоточных узлов и компонентов.
Увеличение срока службы оборудования и деталей
Использование шлифовальной головки даёт возможность выполнять локальный ремонт и доводку без демонтажа детали со станка, что:
- Снижает износ основного оборудования за счёт минимизации повторной установки
- Позволяет восстанавливать размеры и геометрию изношенных валов, шеек, посадок
- Повышает ресурс деталей и снижает брак
Функция точечного шлифования обеспечивает высокую экономическую эффективность при обслуживании производственного оборудования и восстановлении металлоизделий.
Особенности конструкции шлифовальной головки для токарного станка
Шлифовальная головка разработана с учётом специфики токарной обработки и ориентирована на высокоточную интеграцию с суппортом станка. Её конструкция обеспечивает надёжную фиксацию, устойчивость в процессе работы и возможность точной настройки положения абразивного инструмента относительно заготовки.
Крепление на суппорт токарного станка
Конструкция головки предусматривает жёсткое крепление к суппорту токарного станка, что позволяет использовать существующие подвижные элементы станка для точного позиционирования абразивного круга. Это решение исключает необходимость в отдельной подаче и системе регулировки.
Компактность и сбалансированность
Небольшие габариты и продуманное распределение массы обеспечивают устойчивую работу головки даже на оборудовании с ограниченной грузоподъёмностью суппорта. Сбалансированная конструкция минимизирует вибрации при высоких оборотах, что положительно влияет на точность обработки.
Высокооборотистый шпиндель
Головка оснащена высокооборотистым шпинделем, рассчитанным на работу с абразивными кругами. Это позволяет достигать необходимых скоростей резания для выполнения шлифования с минимальным нагревом поверхности детали и высоким качеством обработки.
Возможность настройки углов и положения
Механизмы регулировки дают возможность изменять положение шпинделя относительно оси детали, что позволяет выполнять шлифование под различными углами — как по наружной, так и по внутренней поверхности. Это особенно удобно при обработке сложнопрофильных деталей и фасонных поверхностей.
Совместимость с различными типами абразивного инструмента
Шлифовальная головка адаптирована под широкий спектр абразивных кругов — от стандартных до профильных и специализированных. Это делает её универсальным инструментом, пригодным для решения различных производственных задач без замены базового узла.
Благодаря своей конструкции, шлифовальная головка легко интегрируется в технологические процессы предприятия и расширяет функциональные возможности классического токарного оборудования.
Коммерческие аспекты применения шлифовальной головки
Повышение рентабельности производства
Интеграция шлифовальной головки в технологический процесс напрямую влияет на снижение себестоимости производства. Выполнение шлифовальных операций на существующем токарном оборудовании позволяет:
- Сократить количество переходов между станками
- Минимизировать время на установку и наладку
- Снизить стоимость единичной обработки без потери качества
Кроме того, наличие возможности шлифования в рамках одной технологической ячейки позволяет выполнять сложные задачи «внутри предприятия», не передавая детали на сторонние участки или подрядчикам, что существенно экономит ресурсы.
Актуальность для мелкосерийного и ремонтного производства
Шлифовальная головка особенно эффективна в условиях, где требуются частые переналадки и гибкий подход к производству:
- Быстрая установка и снятие головки сокращают время подготовки
- Оборудование адаптируется под индивидуальные или нестандартные заказы
- Возможность шлифовать детали разного типоразмера без полной смены оснастки
Такая универсальность делает головку идеальным решением для ремонтных мастерских, инструментальных цехов и мелкосерийных производств, где важна оперативность и точность.
Конкурентные преимущества на рынке услуг
Предприятия, внедрившие шлифовальные головки в свой токарный парк, получают значительное преимущество перед конкурентами:
- Возможность предложить заказчику комплексную обработку — от черновой до финишной
- Расширение спектра обрабатываемых деталей и материалов
- Сокращение сроков изготовления и увеличенная точность продукции
Это напрямую влияет на лояльность клиентов, способствует повторным заказам и укреплению позиций на рынке услуг по металлообработке.
Приобретая головку шлифовальную для токарного станка ВГР-300TCG125 у нас, вы получаете отличное оборудование, которое поможет вам повысить производительность и качество вашей работы. Не упустите возможность обновить свой станок и улучшить результаты своего производства!
Цены указаны базовые, все шлифовальные головки производятся по индивидуальным размерам и отличаются в зависимости от доработки.
Шлифовальная головка ВГР-300РД Выпускается специально для установки на два станка поочередно: 1М65 и POREBA
Она состоит из
- электродвигателя мощностью 3 кВт, подключаемого в электросеть токарного станка,
- станины, устанавливаемой на универсальном токарном станке вместо штатного резцедержателя,
- скоростного шпинделя.
Основные особенности шлифовальной головки ВГР-300РД:
- большая мощность и производительность, по сравнению со шлифовальной головкой ВГР-150 приводные валы на двойных радиально-упорных прецизионных подшипниках с высокой несущей способностью;
- высокая частота вращения у внутришлифовального шпинделя и низкая - у шпинделя для наружной шлифовки максимальный диаметр шлифовального круга для наружной шлифовки - 350 мм точность в пределах 0,01 – 0,02 мм (ограничена точностью базового токарного станка), биение круга после правки - 0,005-0,002 высокая чистота поверхности;
Базовая комплектация
- головка шлифовальная, 1 шт.
- шпиндель для внутренней шлифовки, 1 шт.
- оправка с абразивным кругом 17, 1 шт.
- оправка с абразивным кругом 25, 1 шт.
- ремень плоский бесшовный, 1 шт.
- шпиндель для наружной шлифовки, 1 шт.
- круг абразивный 350 х 32 х 127 1 шт.
- ремень клиновой Z(0) 750 мм, 1 шт. .
- карандаш алмазный для правки кругов, 1 шт.
- держатель алмазного карандаша, 1 шт.
- ключ шестигранный 4 мм, 1 шт.
- ключ шестигранный 5 мм, 1 шт.
- ключ шестигранный 10 мм, 1 шт.
- ключ гаечный 24, 1 шт.
- ключ гаечный 30, 1 шт.
- ключ гаечный 36, 2 шт
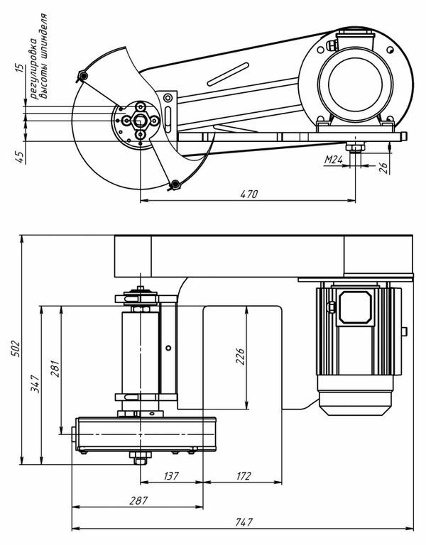
Технические характеристики головки шлифовальной для токарного станка ВГР-300TCG125
| размер круга | 300 мм x 40 мм x 127 мм |
| скорость холостого хода при 50Гц | 3 000 об/мин. |
| диаметр шлифования | 16 мм и более |
| размер круга | 25 мм x 20 мм x 6 мм |
| Посадка оправки для внутренней шлифовки | М14х1,5 |
| скорость холостого хода при 50 Гц | 14 000 об/мин. |
| глубина шлифования | максимум 80 мм |
| РМЦ станка | 1000 мм и более |
| Мощность | 3 кВт |
| Масса нетто с одним шпинделем | 80 кг |
| Масса брутто | 100 кг |
- Доставка с фикс. стоимостью (бесплатно от 50 тыс.р.) 100 ₽ подробнее
- Самовывоз бесплатно подробнее
- Доставка с фикс. стоимостью 100р + 50р за каждый кг веса 105 ₽
-
СДЭК
--- ₽
выбрать на карте
-
Почта РФ
--- ₽
выбрать на карте


Отзывы к "Головка шлифовальная для токарного станка ВГР-300TCG125":
Пока нет отзывов