Двухосевой поворотный стол с ручным наклоном CNCMT-630 GSA+
Двухосевой поворотный стол с ручным наклоном CNCMT-630 GSA+
Основные характеристики:
- Модель: CNCMT-630 GSA+
- Тип: Двухосевой поворотный стол
- Наклон: Ручной
Преимущества товара:
- Высокая надежность и долгий срок службы
- Простота в установке и использовании
- Повышенная точность и плавность работы
- Возможность настройки под различные углы и параметры
- Совместимость с различными типами оборудования
Назначение и сферы применения:
Двухосевой поворотный стол с ручным наклоном CNCMT-630 GSA+ предназначен для использования в промышленных предприятиях, где требуется точное и плавное перемещение оборудования. Он идеально подходит для обработки деталей, сварочных работ, обработки металла и других процессов, требующих точного позиционирования.
Ключевые особенности товара:
- Ручной наклон для удобства настройки
- Высокая точность и надежность работы
- Совместимость с различными видами оборудования
- Простота в установке и обслуживании
Простая установка на традиционные 3-осевые фрезерные, координатно-расточные и резьбонарезные станки. Возможна установка на электроэрозионные станки.
Хорошо подходят для обработки автомобильных и мотоциклетных колесных дисков. Ось ручного наклона оборудована шкалой с ценой деления 1 градус.
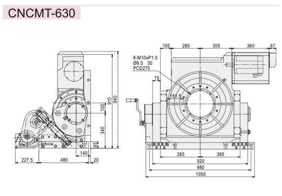
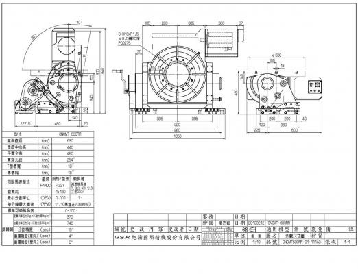
Технические характеристики CNCMT-630 | ||
|---|---|---|
| Параметр | Ед. изм. | Значение |
| Диаметр | мм | 630 |
| Высота стола в горизонтальном положении | мм | 480 |
| Высота центра стола в вертикальном положении | мм | 400 |
| Общая высота | мм | 940 |
| Вес CNCMT-630 нетто (без двигателя) | кг | 1000 |
| Центральное отверстие | мм | 254Н7 |
| Ширина Т-пазов | мм | 18Н7 |
| Ширина направляющего сухаря | мм | 18Н7 |
| Поворот и наклон | |||
|---|---|---|---|
| Параметр | Ед. изм. | Поворот | Наклон |
| Сервомотор Meldas | HF-354S | Ручной | |
| Сервомотор Fanuc | a22i | Ручной | |
| Сервомотор Siemens | 1FK7101 | Ручной | |
| Сервомотор Heidenhein | QSY155D | Ручной | |
| Передаточное число | 1:180 | - | |
| Минимальный угол | град | 0,001 | 1 |
| Угол наклона | град | 0…100 | 0…100 |
| Максимальные обороты | об/мин | 11.1 | - |
| Усилие пневмозажима | кг*м | 370 | - |
| Усилие гидрозажима | кг*м | 740 | - |
| Точность позиционирования | 15” | - | |
| Повторяемость (Однонаправленный) | с | 4” | - |
| Повторяемость (Двунаправленный) | с | 8” | - |
| Максимальные нагрузки | |||
|---|---|---|---|
| Параметр | Схема | Ед. изм. | Значение |
| Максимальная вертикальная нагрузка | кг | W = 500 | |
| Максимальная горизонтальная нагрузка | кг | W = 1000 | |
| Максимальное радиальное усилие | кг | F = 2080 | |
| Максимальное радиальное усилие | кг*м | FxL = 700 | |
| Максимальное радиальное усилие | кг*м | FxL = 300 | |
- Доставка с фикс. стоимостью (бесплатно от 50 тыс.р.) 100 ₽ подробнее
- Самовывоз бесплатно подробнее
- Доставка с фикс. стоимостью 100р + 50р за каждый кг веса 105 ₽
-
СДЭК
--- ₽
выбрать на карте
-
Почта РФ
--- ₽
выбрать на карте


Отзывы к "Двухосевой поворотный стол с ручным наклоном CNCMT-630 GSA+":
Пока нет отзывов