Двухосевой поворотный стол с ручным наклоном CNCMT-250 GSA+
Двухосевой поворотный стол с ручным наклоном CNCMT-250 GSA+ - это надежное и качественное оборудование, которое предназначено для работы в промышленных условиях. Этот стол обеспечивает точную и плавную подачу материала, что позволяет повысить производительность и качество работы.
Преимущества товара
- Высокая надежность и долговечность
- Простота в управлении и настройке
- Ручной наклон для удобства работы
- Широкие возможности по настройке и калибровке
- Идеально подходит для различных отраслей промышленности
Особенности товара
- Двухосевой поворотный стол
- Ручной наклон для удобства работы
- Модель CNCMT-250 GSA+
- Предназначен для работы в промышленных условиях
- Идеально подходит для точной обработки материалов
Назначение и сферы применения
Двухосевой поворотный стол с ручным наклоном CNCMT-250 GSA+ отлично подходит для использования в различных отраслях промышленности, включая металлообработку, деревообработку, производство мебели и многое другое. Это надежное оборудование поможет вам увеличить производительность и качество вашей работы.
Простая установка на традиционные 3-осевые фрезерные, координатно-расточные и резьбонарезные станки. Возможна установка на электроэрозионные станки.
Хорошо подходят для обработки автомобильных и мотоциклетных колесных дисков. Ось ручного наклона оборудована шкалой с ценой деления 1 градус.
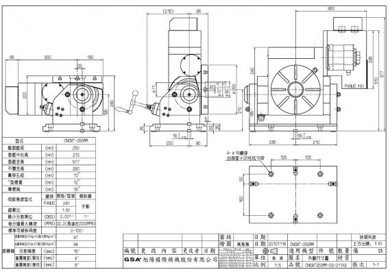
Технические характеристики CNCMT-250 | ||
|---|---|---|
| Параметр | Ед. изм. | Значение |
| Диаметр | мм | 250 |
| Высота стола в горизонтальном положении | мм | 280 |
| Высота центра стола в вертикальном положении | мм | 210 |
| Общая высота | мм | 450 |
| Вес CNCMT-250 нетто (без двигателя) | кг | 220 |
| Центральное отверстие | мм | 70Н7 |
| Ширина Т-пазов | мм | 12Н7 |
| Ширина направляющего сухаря | мм | 18Н7 |
| Поворот и наклон | |||
|---|---|---|---|
| Параметр | Ед. изм. | Поворот | Наклон |
| Сервомотор Meldas | НF-104T | Ручной | |
| Сервомотор Fanuc | a4i | Ручной | |
| Сервомотор Siemens | 1FK7060 | Ручной | |
| Сервомотор Heidenhein | QSY116C | Ручной | |
| Передаточное число | 1:90 | - | |
| Минимальный угол | град | 0,001 | 1 |
| Угол наклона | град | 0…100 | 0…100 |
| Максимальные обороты | об/мин | 22,2 | - |
| Усилие пневмозажима | кг*м | 47 | - |
| Усилие гидрозажима | кг*м | 94 | - |
| Точность позиционирования | 15” | - | |
| Повторяемость (Однонаправленный) | с | 4” | - |
| Повторяемость (Двунаправленный) | с | 8” | - |
| Максимальные нагрузки | |||
|---|---|---|---|
| Параметр | Схема | Ед. изм. | Значение |
| Максимальная вертикальная нагрузка | кг | W = 125 | |
| Максимальная горизонтальная нагрузка | кг | W = 300 | |
| Максимальное радиальное усилие | кг | F = 1208 | |
| Максимальное радиальное усилие | кг*м | FxL = 94 | |
| Максимальное радиальное усилие | кг*м | FxL = 72 | |
- Доставка с фикс. стоимостью (бесплатно от 50 тыс.р.) 100 ₽ подробнее
- Самовывоз бесплатно подробнее
- Доставка с фикс. стоимостью 100р + 50р за каждый кг веса 105 ₽
-
СДЭК
--- ₽
выбрать на карте
-
Почта РФ
--- ₽
выбрать на карте


Отзывы к "Двухосевой поворотный стол с ручным наклоном CNCMT-250 GSA+":
Пока нет отзывов