Двухосевой поворотный стол с ручным наклоном CNCMT-200 GSA+
Двухосевой поворотный стол с ручным наклоном CNCMT-200 GSA+
Описание товара
Двухосевой поворотный стол с ручным наклоном CNCMT-200 GSA+ - это надежное и многофункциональное оборудование, которое обеспечивает точную и эффективную работу на производстве. Профессиональное оборудование от компании 'Невастанкомаш' позволит вам увеличить производительность и качество выпускаемой продукции.
Преимущества товара
- Высокая надежность и долговечность
- Простота использования и удобное управление
- Повышенная точность и качество обработки
- Многофункциональность и универсальность
Особенности товара
- Две оси вращения для поворота изделий в горизонтальной и вертикальной плоскостях
- Ручной наклон стола для удобства работы с различными углами
- Совместимость с ЧПУ системами для автоматизации процесса обработки
Назначение товара
Двухосевой поворотный стол с ручным наклоном CNCMT-200 GSA+ предназначен для точной обработки и изготовления деталей из различных материалов. Идеально подходит для производства металлических и деревянных изделий, а также для обработки пластика и композитов.
Сферы применения
- Машиностроение и металлообработка
- Деревообработка и мебельное производство
- Авиационная и автомобильная промышленность
- Производство электроники и сборочных работ
Простая установка на традиционные 3-осевые фрезерные, координатно-расточные и резьбонарезные станки. Возможна установка на электроэрозионные станки.
Хорошо подходят для обработки автомобильных и мотоциклетных колесных дисков. Ось ручного наклона оборудована шкалой с ценой деления 1 градус.
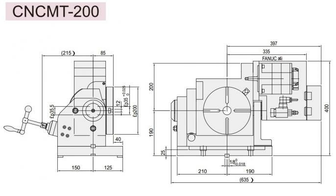
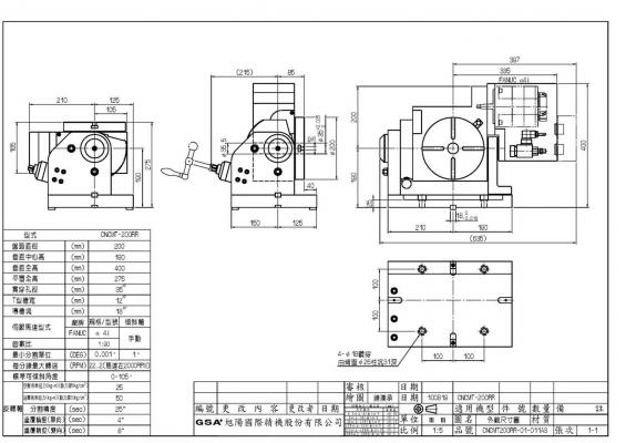
Технические характеристики CNCMT-200 | ||
|---|---|---|
| Параметр | Ед. изм. | Значение |
| Диаметр | мм | 200 |
| Высота стола в горизонтальном положении | мм | 275 |
| Высота центра стола в вертикальном положении | мм | 190 |
| Общая высота | мм | 317 |
| Вес CNCMT-200 нетто (без двигателя) | кг | 135 |
| Центральное отверстие | мм | 30Н7 |
| Ширина Т-пазов | мм | 12Н7 |
| Ширина направляющего сухаря | мм | 18Н7 |
| Поворот и наклон | |||
|---|---|---|---|
| Параметр | Ед. изм. | Поворот | Наклон |
| Сервомотор Meldas | НF-104T | Ручной | |
| Сервомотор Fanuc | a4i | Ручной | |
| Сервомотор Siemens | 1FK7060 | Ручной | |
| Сервомотор Heidenhein | QSY116C | Ручной | |
| Передаточное число | 1:90 | - | |
| Минимальный угол | град | 0,001 | 1 |
| Угол наклона | град | 0…105 | 0…105 |
| Максимальные обороты | об/мин | 22,2 | - |
| Усилие пневмозажима | кг*м | 25 | - |
| Усилие гидрозажима | кг*м | 50 | - |
| Точность позиционирования | 20” | - | |
| Повторяемость (Однонаправленный) | с | 4” | - |
| Повторяемость (Двунаправленный) | с | 8” | - |
| Максимальные нагрузки | |||
|---|---|---|---|
| Параметр | Схема | Ед. изм. | Значение |
| Максимальная вертикальная нагрузка | кг | W = 40 | |
| Максимальная горизонтальная нагрузка | кг | W = 80 | |
| Максимальное радиальное усилие | кг | F = 600 | |
| Максимальное радиальное усилие | кг*м | FxL = 50 | |
| Максимальное радиальное усилие | кг*м | FxL = 20 | |
- Доставка с фикс. стоимостью (бесплатно от 50 тыс.р.) 100 ₽ подробнее
- Самовывоз бесплатно подробнее
- Доставка с фикс. стоимостью 100р + 50р за каждый кг веса 105 ₽
-
СДЭК
--- ₽
выбрать на карте
-
Почта РФ
--- ₽
выбрать на карте


Отзывы к "Двухосевой поворотный стол с ручным наклоном CNCMT-200 GSA+":
Пока нет отзывов