Двухосевой поворотный стол с наклоном от ЧПУ CNCT-100 GSA+
Двухосевой поворотный стол с наклоном от ЧПУ CNCT-100 GSA+ - это надежное и функциональное оборудование, которое позволит вам расширить возможности вашего производства и повысить эффективность работы.
Преимущества товара:
- Высокая точность позиционирования
- Простое управление с помощью ЧПУ
- Надежная конструкция
- Широкий диапазон наклона и поворота
- Применение современных технологий
Особенности товара:
- Двухосевой поворотный стол
- Наклон от ЧПУ
- Максимальная нагрузка до 100 кг
- Диаметр поворота до 1 метра
- Прочный и долговечный материал
Назначение товара:
Этот поворотный стол идеально подходит для использования в различных производственных процессах, где требуется точное позиционирование и наклон. Он позволит вам быстро и качественно выполнять различные операции, увеличивая производительность и экономя время.
Сферы применения:
Двухосевой поворотный стол с наклоном от ЧПУ CNCT-100 GSA+ может быть использован в таких отраслях, как металлообработка, автомобильное производство, машиностроение, аэрокосмическая промышленность и другие сферы, где требуется высокая точность и надежность оборудования.
Компактный дизайн позволяет устанавливать на станки с длиной стола от 1 м. Простая установка на традиционные 3-осевые станки. С помощью 1-осевого контроллера GSA+, подключаемого к системе ЧПУ через М-коды для программируемого наклона стола, можно производить 5-осевую обработку без изменения конструкции станка и его электрооборудования.
По требованию заказчика стол может быть оснащен как гидравлическим, так и пневматическим зажимным устройством. Для повышения точности позиционирования может быть установлен фотоэлектрический датчик.
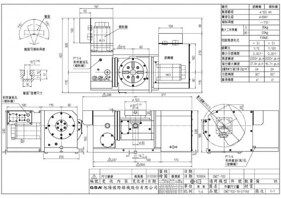
Технические характеристики CNCT-100 | ||
|---|---|---|
| Параметр | Ед. изм. | Значение |
| Диаметр | мм | 120 |
| Высота центра | мм | 150 |
| Общая высота | мм | 235 |
| Вес CNCT-100 нетто (без двигателя) | кг | 105 |
| Центральное отверстие | мм | 30Н7 |
| Ширина Т-пазов | мм | 10Н7 |
| Ширина направляющего сухаря | мм | 14Н7 |
| Поворот и наклон | |||
|---|---|---|---|
| Параметр | Ед. изм. | Поворот | Наклон |
| Сервомотор Meldas | НF-75T | НF-75T | |
| Сервомотор Fanuc | a2i | a2i | |
| Сервомотор Siemens | 1FK7042 | 1FK7042 | |
| Сервомотор Heidenhein | QSY96A | QSY96A | |
| Передаточное число | 1:72 | 1:120 | |
| Угол наклона | град | -20…120 | -20…120 |
| Минимальный угол | град | 0,001 | 0,001 |
| Максимальные обороты | об/мин | 27.8 | 16.7 |
| Усилие пневмозажима | кг*м | 12 | 12 |
| Усилие гидрозажима | кг*м | 24 | 24 |
| Точность позиционирования | 30” | 60” | |
| Повторяемость | с | ±4” | |
| Максимальные нагрузки | |||
|---|---|---|---|
| Параметр | Схема | Ед. изм. | Значение |
| Максимальная вертикальная нагрузка | кг | W = 20 | |
| Максимальная горизонтальная нагрузка | кг | W = 35 | |
| Максимальное радиальное усилие | кг | F = 400 | |
| Максимальное радиальное усилие | кг*м | FxL = 24 | |
| Максимальное радиальное усилие | кг*м | FxL = 30 | |
| Максимальная рабочая инерция | кг*см*сек2 | 0.87 | |
- Доставка с фикс. стоимостью (бесплатно от 50 тыс.р.) 100 ₽ подробнее
- Самовывоз бесплатно подробнее
- Доставка с фикс. стоимостью 100р + 50р за каждый кг веса 105 ₽
-
СДЭК
--- ₽
выбрать на карте
-
Почта РФ
--- ₽
выбрать на карте


Отзывы к "Двухосевой поворотный стол с наклоном от ЧПУ CNCT-100 GSA+":
Пока нет отзывов